|
| |
| 聯系我們 / CONTACT US |
|
| 河北嘉斯機械配件有限公司 |
| 手機:15930385188 13833801759 |
| 傳真:0318-3408528 |
| 地址:衡水市人民西路南護開發區3號 |
| Q Q:464188009 |
| 郵箱:hbjs@sztp.com |
| 網址:http://www.banggege.com |
|
|
| |
|
|
|
|
|
|
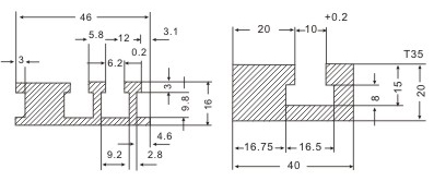
| T型撞塊槽板 JS.110002 |
發布日期:2016/4/22 16:47:24 |
| 產品瀏覽:3534
次 |
| 產品分類:其它系列產品
|
| 訂購熱線:15930385188 13833801759 |
 |
|
|
|
| 描述 |
JS.110002 T型撞塊槽板 本產品根據國外同類產品(西德樣品)研制生產,可以較為合理地完成機床控制要求,在一定程度上提高了機床生產效率。該產品結構簡單,安裝方便,機動性好,造型美觀,表面平整,粗糙度Ra≤1.6≤,硬度(HB)≥70,能緊固于組合機床、機械平臺、液壓滑臺等各種機床的身上,不會產生移位,工作可靠。


|
|
|
| |
 |
|
|
|