|
| |
| 聯系我們 / CONTACT US |
|
| 河北嘉斯機械配件有限公司 |
| 手機:15930385188 13833801759 |
| 傳真:0318-3408528 |
| 地址:衡水市人民西路南護開發區3號 |
| Q Q:464188009 |
| 郵箱:hbjs@sztp.com |
| 網址:http://www.banggege.com |
|
|
| |
|
|
|
|
|
|
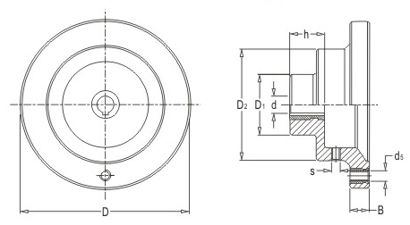
| 滿輻表盤手輪 JS.105005 |
發布日期:2016/4/22 11:12:31 |
| 產品瀏覽:4519
次 |
| 產品分類:調節指示系列產品
|
| 訂購熱線:15930385188 13833801759 |
 |
|
|
|
| 描述 |
JS.105005 滿輻表盤手輪 顏色:黑色 材質:酚醛樹脂(膠木)、鋁合金 用途:適用于木工、食品、包裝、印刷等機械的精密指示或讀數調節 特性:外形美觀、堅固耐用、機械式結構、


|
|
|
| |
 |
|
|
|